UFH CAD Design for System Suppliers & Merchants

UFH CAD Designs provides outsourced, white-label underfloor heating design support for UFH system suppliers, merchants and distributors who need professional CAD layouts and performance calculations without expanding internal design resources.

All work is completed in-house in the UK, allowing you to offer a reliable design service to your customers while remaining independent, flexible and responsive.

Independent, Trade-Focused UFH Design Support

We provide an independent design-only solution that allows suppliers to:

  • support installers and contractors with professional layouts
  • manage demand without building an in-house CAD team
  • deliver fast turnaround designs when projects arrive late
  • maintain flexibility across multiple systems and specifications

Our work is covered by our professional indemnity insurance and is 100% confidential.

UFH design for system suppliers

White-Label Designs Under Your Brand

All designs can be supplied fully white-label, meaning:

  • drawings are client-ready
  • documentation can be issued under your company name
  • your customer relationship remains front and centre

We work as an extension of your technical team — not a competing supplier.

UFH design for system suppliers

What You Receive

Our design support for system suppliers typically includes:

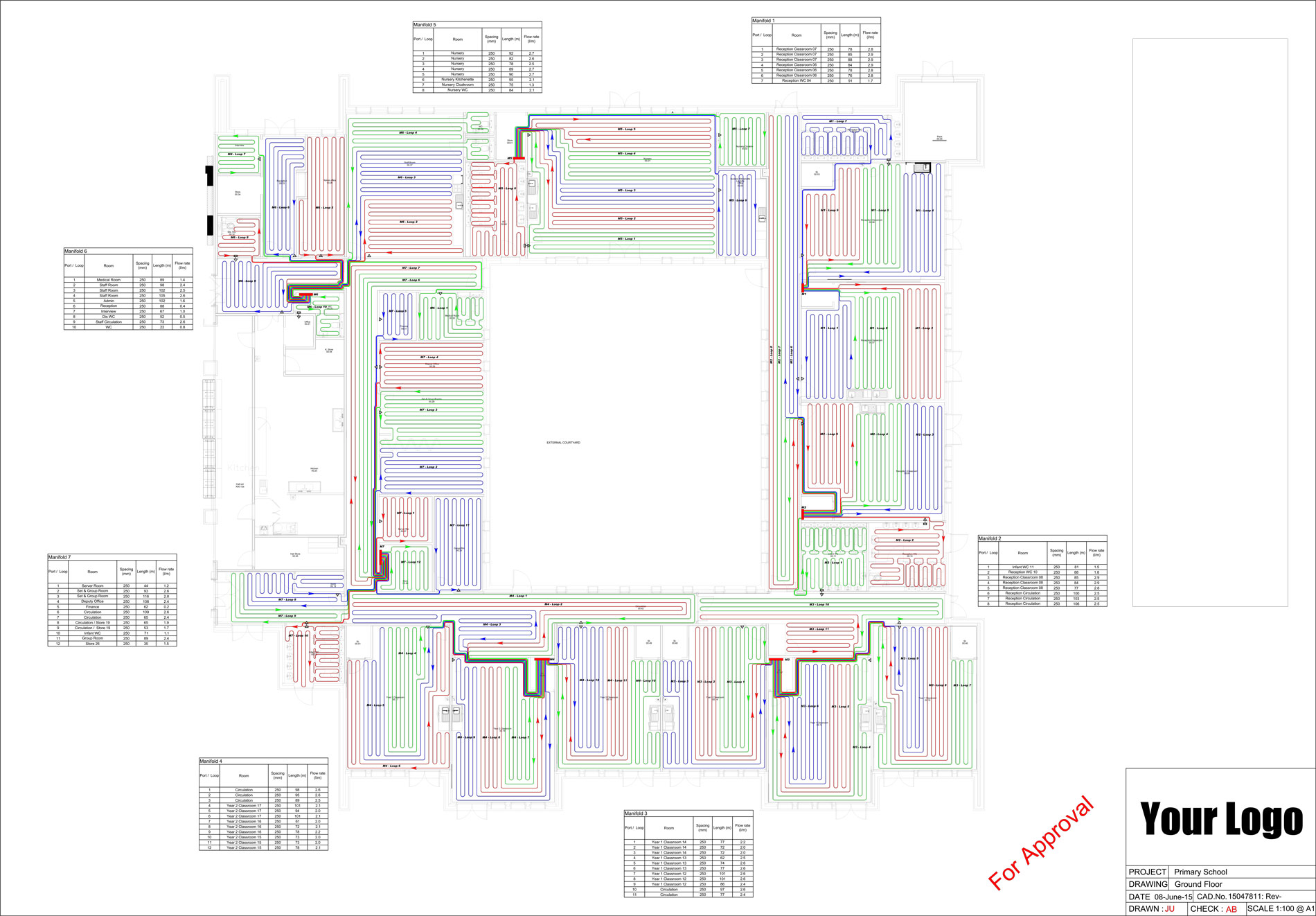
  • UFH pipe layout CAD drawings
  • zoning and circuit planning
  • manifold positioning and routing
  • output calculations in accordance with BS EN1264 and CIBSE Standards
  • documentation suitable for trade installation

Who This Service Is For

This service is ideal for:

  • UFH system suppliers
  • Heating merchants and distributors
  • Technical sales teams needing design capacity

It is not intended for homeowners or self-build projects.

Request White-Label UFH Design Support

Contact us to discuss outsourced UFH CAD design for your supply business.